[Periprosthetic] ППП(перипротезный перелом) Швайкина

Alexander Chelnokov alex61 на gmail.com
Ср Июн 22 21:14:25 YEKST 2016


Приветствую,

22 июня 2016 г., 16:02 пользователь Владимир Фролов <fvp-15 at yandex.ru>
написал:

>
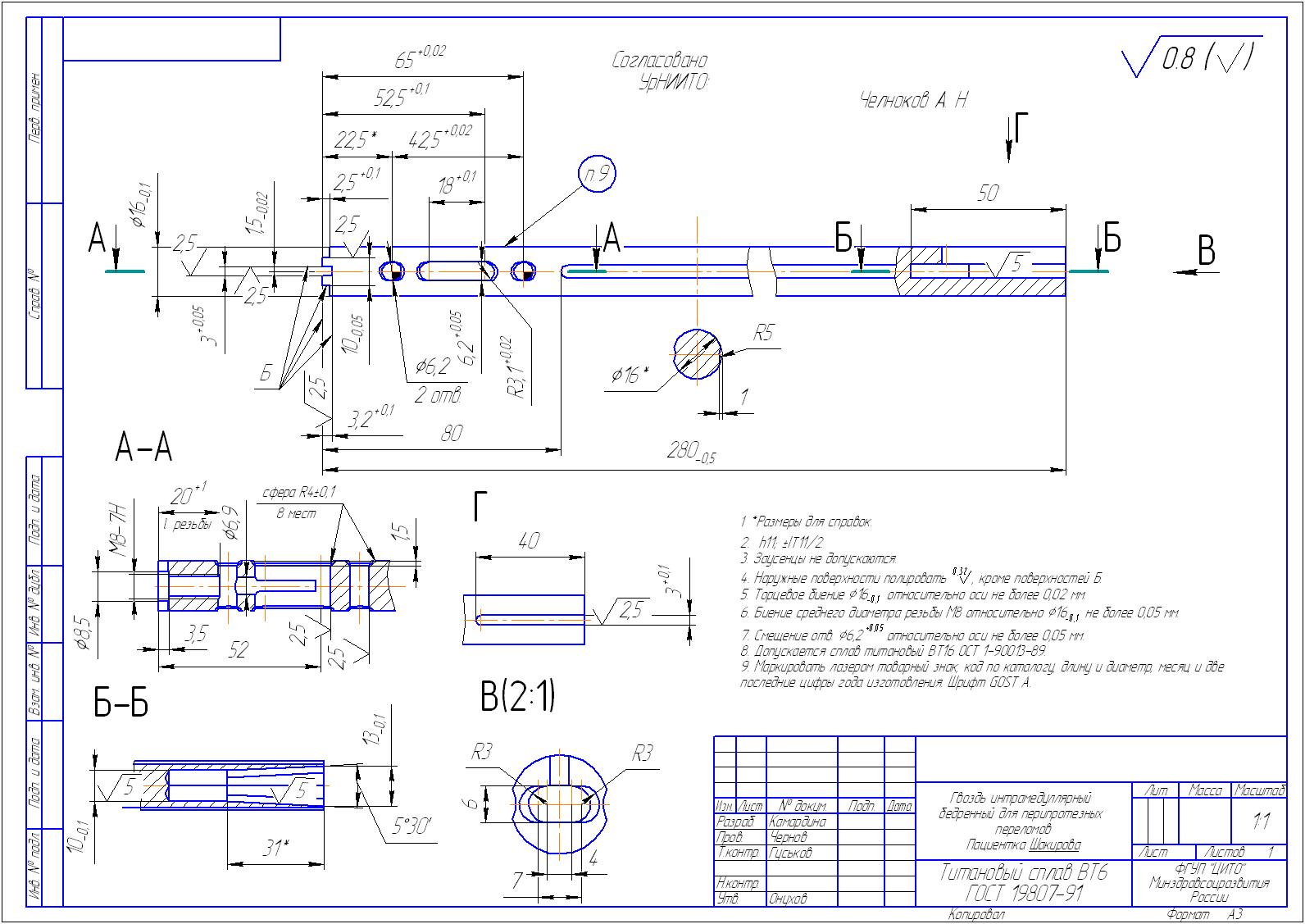
> Направляю Вам на согласование чертеж гвоздя для Швайкиной.
> Ждем ответа.
>

Выглядит похоже на то, что надо. Чертеж гвоздя для Шакировой в приложении,
сравните плиз!


>
> P.S. По Шакировой никаких измерений не смог найти, только чертеж ножки, но
> там старая конструкция.
>

Игорь, ты по рентгенограмме размеры перемерял? Чтобы еще раз перепроверить,
что размеры ножки действительно идентичны тем, что были у Шакировой?



-- 
Best regards,
 Alexander N. Chelnokov
-------------- next part --------------
An HTML attachment was scrubbed...
URL: http://weborto.net:8080/pipermail/periprosthetic/attachments/20160622/0cfb5fac/attachment-0001.htm 
-------------- next part --------------
A non-text attachment was scrubbed...
Name: Шакирова Гвоздь Л-280, Д-16.jpg
Type: image/jpeg
Size: 243156 bytes
Desc: not available
Url : http://weborto.net:8080/pipermail/periprosthetic/attachments/20160622/0cfb5fac/attachment-0001.jpg 


Подробная информация о списке рассылки Periprosthetic